Каталог
Все категории
  • Все категории
  • Кондиционеры
  • Тепловое отопительное оборудование
  • Теплый пол
  • Греющий кабель
  • Вентиляция
  • Расходные материалы для установки кондиционеров
  • Защита от протечки воды
  • Уцененные товары
Каталог

Термостат с регулятором скорости TDS Греерс

Бренд:Греерс
К сравнению
В избранное
Артикул:31193
-20%
Термостат с регулятором скорости TDS Греерс
Термостат с регулятором скорости TDS Греерс
Термостат с регулятором скорости TDS Греерс
Термостат с регулятором скорости TDS Греерс
Термостат с регулятором скорости TDS Греерс
Термостат с регулятором скорости TDS Греерс
Термостат с регулятором скорости TDS Греерс
Термостат с регулятором скорости TDS Греерс
Комплектующие для
для тепловентиляторов ГРЕЕРС ВС, воздушных завес ГРЕЕРС ЗВ, дестратификаторов ГРЕЕРС Д / с двигателем типа АС
Управление по Wi-Fi:
Нет
Электропитание:
220
Гарантия:
2 года
В комплекте:
Настенный регулятор, инструкция.
Размер (Ш×В×Г), мм:
85 × 130 × 40
Вернем 59.76 руб.Возвращаем 2% от стоимости на ваш бонусный счет за покупку. Например, если вы совершили покупку на 10000 рублей, то на ваш бонусный счет будет зачислено 200 рублей

Подробнее

2 988 3 735
С НДС 22%
11
Информация о доставке
Самовывоз
Транспортная компания GTD
Рассчитываем стоимость доставки...
ТК Деловые Линии
Рассчитываем стоимость доставки...
СДЭК ПВЗ или курьер
Рассчитываем стоимость доставки...
Прочее
Доставка любой ТК (Оплата по факту, Покупателем)
Рассчитываем стоимость доставки...
Описание
Характеристики
Отзывы
Сопутствующие файлы
Вопрос-Ответ 0

Комнатный термостат TDS со встроенным трехступенчатым регулятором скорости вращения вентилятора

Предназначен для управления водяными тепловентиляторами Греерс ВС с двигателем типа АС. Дает возможность выбора скорости вентилятора (1-2-3), а также управляет сервоприводом клапана в зависимости от температуры в помещении. При снижении температуры ниже установленной, клапан с сервоприводом открывает подачу теплоносителя, а после достижения температуры закрывает. Термостат необходимо устанавливать в месте таким образом, чтобы на встроенный внутренний датчик температуры не влияли дополнительные внешние факторы (например: солнечные лучи, дверные проемы и т.п.).

Термостат TDS применяется вместе с:

  • Воздухонагревателями ГРЕЕРС ВС
  • Воздушными завесами ГРЕЕРС ЗВ
  • Дестратификаторами ГРЕЕРС Д

Возможность подключения:

  • до 9 аппаратов ГРЕЕРС ВС 1110 I 1220 I 1230 I 1320C;
  • до 3 аппаратов ГРЕЕРС ВС 2125 I 2245 I 2365 I 2340C;
  • до 2 аппаратов ГРЕЕРС ВС 3275 I 33100;
  • до 9 дестратификаторов ГРЕЕРС Д1;
  • до 4 дестратификаторов ГРЕЕРС Д2;
  • до 2 дестратификаторов ГРЕЕРС Д3;
  • до 4 завес ГРЕЕРС ЗВП-М1-150;
  • до 3 завес ГРЕЕРС ЗВП-М1-200;
  • до 2 завес ГРЕЕРС ЗВП-М2-150;
  • до 1 завес ГРЕЕРС ЗВП-М2-200;
  • до 1 завес ГРЕЕРС ЗВП-М3-150.

Оборудование оснащено:

  • термостатом, позволяющим плавно настроить температуру
  • трехступенчатым переключателем режима работы - HEAT/FAN/COOL
  • переключателем ON/OFF
  • трехступенчатым переключателем скорости вращения вентилятора 1/2/3

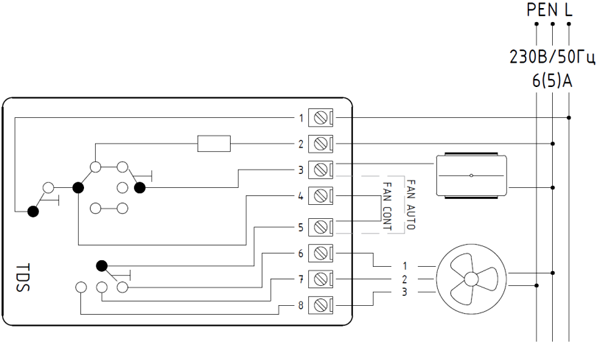
Схема подключения:

Россия Россия — страна бренда
Россия Россия — страна производства
Характеристики
Особенности оплаты:
Общие характеристики
Бренд:
Вид комплектующего:
Комплектующие для
Цвет:
Особенности и преимущества
Гарантия:
Электропитание:
Тип двигателя:
Степень пылевлагозащиты:
Управление по Wi-Fi:
Комплектация
В комплекте:
Монтаж (установка)
Вариант установки
Габаритные размеры
Размер (Ш×В×Г), мм:
Размеры в упаковке (Ш×В×Г), мм:
Вес в упаковке:
Отзывов ещё нет — ваш может стать первым.
Все отзывы 0
Оцените товар:
Нажмите на кнопку или перетащите фото в эту областьдо 10 изображений PNG, JPEG.
Спасибо!Ваш отзыв появится на сайте после проверки.
Средняя оценка покупателей
0.0 из 5 звезд
Сопутствующие файлы
Не заполнено поле "Имя"
Не заполнено поле "Email"
В тексте вопроса должно быть как минимум 3 символа
C этим товаром также покупают
Распределительная коробка SW Греерс
Распределительная коробка SW Греерс
Россия Россия
10 901,25 12 825 -15%с НДС 22%
Вернем 218.03 руб.Возвращаем 2% от стоимости на ваш бонусный счет за покупку. Например, если вы совершили покупку на 10000 рублей, то на ваш бонусный счет будет зачислено 200 рублей

Подробнее

Двухходовой клапан с сервоприводом UVK 2d-1/2 Греерс
Россия Россия
6 884 8 605 -20%с НДС 22%
Вернем 137.68 руб.Возвращаем 2% от стоимости на ваш бонусный счет за покупку. Например, если вы совершили покупку на 10000 рублей, то на ваш бонусный счет будет зачислено 200 рублей

Подробнее

Двухходовой клапан с сервоприводом UVK 2d-3/4 Греерс
Двухходовой клапан с сервоприводом UVK 2d-3/4 Греерс
Россия Россия
7 884 9 855 -20%с НДС 22%
Вернем 157.68 руб.Возвращаем 2% от стоимости на ваш бонусный счет за покупку. Например, если вы совершили покупку на 10000 рублей, то на ваш бонусный счет будет зачислено 200 рублей

Подробнее

Дестратификатор ГРЕЕРС Д1
Россия Россия
25 524 31 905 -20%с НДС 22%
Вернем 510.48 руб.Возвращаем 2% от стоимости на ваш бонусный счет за покупку. Например, если вы совершили покупку на 10000 рублей, то на ваш бонусный счет будет зачислено 200 рублей

Подробнее